Dle ČSN EN ISO 5457 byly stanoveny rozměry výkresových listů pro základní a prodloužené formáty. Modře označené jsou listy papírů, které známe ze školy, papírnictví, černě je použití pro strojírenské, stavařské a jiné technické výkresy, kde je určena i kreslící plocha, do které je umístšn výkres kvůli přehlednosti.

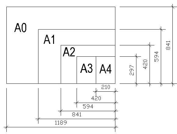
Standartní formáty listů papíru.

Geometrické rozdělení formátů.
Tabulka rozměrů standartních formátů:
| Označení | Oříznutý list | Kreslící plocha | Neoříznutý list | |||
| a1 | b1 | a2 | b2 | a3 | b3 | |
| ±0.5 | ±0.5 | ±2.0 | ±2.0 | |||
| A0 | 841 | 1189 | 821 | 1159 | 880 | 1230 |
| A1 | 594 | 841 | 574 | 811 | 625 | 880 |
| A2 | 420 | 594 | 400 | 564 | 450 | 625 |
| A3 | 297 | 420 | 277 | 390 | 330 | 450 |
| A4 | 210 | 297 | 180 | 277 | 240 |
330 |
| Doporučené rozměry schodišťových stupňů | Podle druhu a účelu budovy, ČSN 73 4130 |
| Minimální podchodová výška schodiště | Dle platných norem ČSN. |
| Zatížení sněhem, mapa sněhových oblastí | Platná norma. |
ROZMERY NA PRVNIM OBRAZKU JSOU BLBE OKOTAVY!!!!!!!!!!!!!!!!!!!!!!!!!!!
Jakto, cerpano bylo z stavebnich materialu pro CVUT 
to mas taky blbe
a co jako ? ty vis, co mas prece blbe.. nebo ne?
Jelikoz kazda zmensenina A formatu je 1/2 formatu predchoziho, jsou obrazky spatne.
kde beres tu jistotu, ze to je spatne ?
jen aby
, myslim, ze se nepletu a jen si to chce otocit v hlave ... ono to ta pulka je.. neni to ale dokonale deleno 2ma, podle neceho ze skoly to je, uz nevim, co presne.. zkus na treba nejvetsich Ackach
ktere rozmery jsou blbe ... je to z cadu davno ... ale melo by to byt ok
je to dobře... sice je každý menší formát polovinou předchozího ale vychází se z plochy
je to dobře kuřbuřti, žadná polovina neplatí, jestli to chces rozkouzkovat tak musis tak jak je to namalovany, všici chytří jak rádia.
jestli si pořád nejste jistí, tak se můžete přesvědčit na Wiki. Jinak je to dobře, abych vám usnadnil práci.
Je těžký lidi přesvěčovat o pravdě, když píšou komentáře dřív než se ujistí, ano výkres je správně
Já myslím, že lidi mate to nešťastně umístěné kótování. Na první pohled to opravdu vypadá špatně. Ale v tabulka pod nákresem je jasná a maže všechny pochybnosti. 
Je to dobře, trochu ty obrázky jsou sice trochu matoucí, ale při troše zamyšlení přesto jasné. Ale protože většina lidí jsou hlupáci, tak mě ty reakce nepřekvapují.
ja som sa chcela len pozriet aky je to vykres A3....
OMG.... Je az neuveritelne, ako moze byt niekto taky magor a bez preverenia hned zacne nadavat na autora, ktory vam chcel dat uzitocnu informaciu... a este horsie je to vtedy, ked ju ma SPRAVNE!
hrate sa na inteligentov a pritom ten vykres aj jeden aj druhy je absolutne OK z pohladu technickeho kreslenia. naucte sa pravidla kotovania a potom kritizujte ludi, co vam chcu pomoct...
Ja sa tiez nemontujem do astrofyziky, ked jej nerozumiem..;)
Zdar, vůbec nechápu, co na tom komu vadí, nebo co je nepřehledné. Výkres i tabulka jsou SPRÁVNĚ a jsou přehledné. DÍKY!
On ten obrázek je správně, problém je v tom, že zatímco A4 je v něm zobrazeno "nastojato", ostatní formáty jsou "naležato", proto to na první pohled působí nesprávně a čísla se zdají chybná 
Je to dobře, jen je to humpolácky okótované. Tabulka je zase otočená, ale lze to z toho dohledat. Nejspíš to je práce někoho ze základní školy.